Hallo erstmal.
Ich plane jetzt seit einiger Zeit den Einbau eines Holzvergasers in mein Haus. Zuerst war meine Idee einen Vigas/Orlan/… zu nehmen, aber nachdem ich Atmos und Vigas beide im Betrieb gesehen habe, ist meine Entscheidung für Atmos so gut wie gefallen.
Jetzt bleiben natürlich noch einige Fragen offen. Ich habe schon viel im Forum gelsen, aber ein paar Dinge bleiben leider trotz Suche noch unbeantwortet. Aber dazu später mehr. Jetzt kommen erstmal die Einstiegsfragen aus der Hilfe:
1.Wie wird Dein Haus jetzt beheizt?:
Mit einem alten Vissmann Ölkessel und Brauchwasser im Sommer über Solaranlage (9m2) und 500l Frischwasserspeicher
2.Wie groß ist Dein durchnittlicher Jahresverbrauch l/m³?:
ca. 3000 Liter Öl
3.Wie groß ist die zu beheizende Wohnfläche m²?:
ca. 260m2, aber nicht alle Räume sind dauerhaft beheizt
4.Steht das Haus in kalter hochgelegenen Gegend,oder Flachland?:
eher Flachland und recht warm, da nahe am Bodensee
5.Einschätzung der Wärmedämmung des Hauses (sehr gut/gut/mittel/schlecht/ oder wird demnächst)(Fenster/Türen/Keller/Boden):
Im EG schlecht (stand 60er), im OG okay (stand 90er) und im DG sehr gut (Dach und DG 2010 erneuert und komplett gedämmt mit Fassadendämmung, Aufdach- und Unterdachdämmmung und 3-fach Verglasung)
6.Hast Du schon eigene Vorstellungen über welchen Kessel Typ (Stückholz oder Pellet) wie viel Kw?:
Stückholz DC30GSE oder DC25GS
7.Hast Du schon bei einem HB (Heizungsbauer) Angebot machen lassen?:
Nein. Da fällt mir keiner ein, der genug Fachwissen für so eine Anlage hat, außerdem plane ich lieber selber.
8.Gedanken gemacht über das Fassungsvermögen (lt.) der dazu benötigten Puffer?:
Leider sind nur 1650 Liter möglich, da ich nur 2 Speicher stellen kann und max. 850l wegen Kippmaß durch die Tür gehen. Darum auch nur max. 30kW
8 a. Wie soll Die WarmWasser Bereitstellung er folgen, Wärmetauscher im Puffer; Externen WW Puffer;Externer Wärmetauscher oder anders?
Über eine Frischwasserstation (Eigenbau)
9.Man rechnet für das Puffer Volumen ab 55 lt/Kw. Die BAFA verlangt für die GSE Kessel 55 lt/Kw. Der ideale Wert liegt bei 100 lt/Kw.
10.Hast Du schon mit Deinem zuständigen Schornsteinfegermeister darüber gesprochen?:
Ja, habe ich, klingt alles problemlos
11.Willst Du Deine Heizanlage selber bauen?:
Ja, möchte ich gerne machen. Habe auch mit der Bafa geschrieben. Mit Nachweis des nötigen Fachwissens (Diplom ist ausreichend) sind die mit Eigenmontage einverstanden
12.Ist die nötige Stellfläche dafür vorhanden einschließlich der Puffer/Ausdehnungsgefäß/Pumpen etc.?:
Wie schon gesagt, Fläche für Puffer ist begrenzt, Rest passt schon.
13. Hast Du schon „genügend“ (abhängig von der Kessel Kw) Holz getrocknet auf dem Grundstück zu liegen und auch schon an die nächsten Jahre gedacht. Man rechnet im Durchschnitt 2 Jahre trocknen bzw lagern.
Noch nicht. Ich werde im ersten Jahr fertiges Holz einkaufen. Das kostet mich 85 pro rm Buche und ist damit immer noch wesentlich günstiger als Heizöl. Fläche zur Lagerug und zugang zur Anlage ist kein Problem.
So. Das waren erstmal die Fragen aus der Hilfe. Jetzt kommen meine 😉
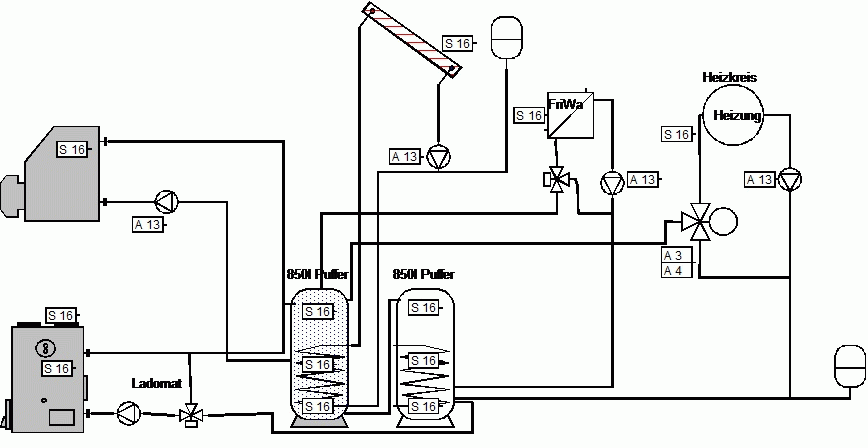
Dazu ertmal die geplante Hydraulik:

Die Hydraulik ist erstmal ein Entwurf. Es fehlen noch Sicherheitseinrichtungen, Absperrhähne und Entlüfter. Aber dazu sind auch meine Fragen:
1. Ist der GSE-Kessel so viel besser als der GS? Ich denke ja, wegen AGT-Reglung und Wirbulatoren. Läuft ein GSE ohne Umbau problemlos?
2. Ich muss meine Leitungen vom Ölkessel und HV zum Puffer über die Decke führen, da ich sonst nicht mehr in den Heizraum komme. Gibt das Luftprobleme in den Leitungen, wenn diese höher als Kessel bzw. Puffer sind? Wo brauche ich Entlüfter? Eigentlich hatte ich je einen am Puffer und je einen an HV und Ölkessel geplant.
3. Ölkessel und HV stehen nebeneinander. Kann ich ein gemeinsames Rohr für die Vorläuf zum Puffer nehmen, wenn die Kessel nicht gleichzeitig laufen können?
4. Da der Laddomat recht teuer, nicht einstellbar und nicht immer Zuverlässig (habe ich gehört) sein soll, würde ich gerne die Rücklaufanhebung mit Motormischer und Regelung machen. Ist es schlauer die Rücklauftemperatur oder die Vorlauftemperatur zu regeln?
5. Ist die Anordnung meiner Pumpen so okay?
6. In meinem Plan hat die Friwa ein Thermoventil verbaut. Ist das nötig und sinnvoll, wenn ich die Pumpe über die UVR1611 regeln lasse und einen schnellen Temperaturfühler einsetze?
7. Wo würdet ihr Absperrhähne verbauen? Puffer unten, Friwa, Heizkreis und Kessel ist klar, aber wie ist es mit Puffer oben?
8. Sind Anlegefühler als Temperaturfühler ausreichend, oder würdet ihr Tauchhülsen einsetzen?
9. Alle Leitungen möchte ich in 28er Kupfer ausführen. Sollte ich im kleinen Kreis 35er nehmen, oder ist das unnötig?
10. Habt ihr eine fertige Pumpengruppe für den Heizkreis genommen, oder Einzelkomponenten verbaut? Pumpengruppen sind ja nicht wirklich günstig und die Einzwlkomponenten kann man problemlos gebraucht bekommen.
So, das waren erstmal viele Fragen. Ich hoffe, es nimmt sich jemand Zeit das alles mal zu lesen. Schon mal vielen Dank im Voraus.
Schöne Grüße,
Christian
Hallo,
1. Ist der GSE-Kessel so viel besser als der GS? Ich denke ja, wegen AGT-Reglung und Wirbulatoren. Läuft ein GSE ohne Umbau problemlos?
Der GSE hat bessere Abgaswerte und schafft normalerweise problemlos die Messung. Von daher würde ich niemals den GS nehmen, zumindest nicht, wenn du die Förderung bekommst.
Auch ein Serien GSE läuft in der Regel problemlos.
2. Ich muss meine Leitungen vom Ölkessel und HV zum Puffer über die Decke führen, da ich sonst nicht mehr in den Heizraum komme. Gibt das Luftprobleme in den Leitungen, wenn diese höher als Kessel bzw. Puffer sind? Wo brauche ich Entlüfter? Eigentlich hatte ich je einen am Puffer und je einen an HV und Ölkessel geplant.
Kein Problem. Wenns geht aber ruhig eine Entlüftung einbauen.
3. Ölkessel und HV stehen nebeneinander. Kann ich ein gemeinsames Rohr für die Vorläuf zum Puffer nehmen, wenn die Kessel nicht gleichzeitig laufen können?
Ja geht, aber bitte sicherstellen, dass du nicht versehentlich eine Zirkulation durch den 2. Kessel hast. Selbst geringe Mengen vernichten da viel Energie.
4. Da der Laddomat recht teuer, nicht einstellbar und nicht immer Zuverlässig (habe ich gehört) sein soll, würde ich gerne die Rücklaufanhebung mit Motormischer und Regelung machen. Ist es schlauer die Rücklauftemperatur oder die Vorlauftemperatur zu regeln?
Immer die Rücklauftemperatur regeln bzw. die Mindesttemperatur von 65 Grad (besser 72 oder mehr) sicherstellen. Ist das der Fall, kannst du auch zusätzlich die Vorlauftemperatur regeln.
5. Ist die Anordnung meiner Pumpen so okay?
Die Friwa-Pumpe würde ich vor der Friwa, zwischen Friwa und Abgang zum Mischventil platzieren.
Den HK-Mischer mußt du m.E. auch anders setzen. Evtl. ist es aber auch nur unglücklich gezeichnet. vielleicht sagt ja noch jemand was dazu.
6. In meinem Plan hat die Friwa ein Thermoventil verbaut. Ist das nötig und sinnvoll, wenn ich die Pumpe über die UVR1611 regeln lasse und einen schnellen Temperaturfühler einsetze?
Ist immer sinnvoll.
edit: Sowohl vor der Friwa (Zulauf von max. 55 Grad um Verkalkung zu verhindern), als auch danach (Verbrühschutz).
Also im besten Fall zwei einbauen.
7. Wo würdet ihr Absperrhähne verbauen? Puffer unten, Friwa, Heizkreis und Kessel ist klar, aber wie ist es mit Puffer oben?
Kann nie schaden.
8. Sind Anlegefühler als Temperaturfühler ausreichend, oder würdet ihr Tauchhülsen einsetzen?
Anlegefühler reichen.
9. Alle Leitungen möchte ich in 28er Kupfer ausführen. Sollte ich im kleinen Kreis 35er nehmen, oder ist das unnötig?
Kommt auf die Leitungslänge an. Nimm für 90 Grad Winkel aber die langen Bögen.
10. Habt ihr eine fertige Pumpengruppe für den Heizkreis genommen, oder Einzelkomponenten verbaut? Pumpengruppen sind ja nicht wirklich günstig und die Einzwlkomponenten kann man problemlos gebraucht bekommen.
Da ist eins so gut wie das andere.
So, das waren erstmal viele Fragen. Ich hoffe, es nimmt sich jemand Zeit das alles mal zu lesen. Schon mal vielen Dank im Voraus.
Kein Thema.
Schöne Grüße,
Christian
Friwa zusammen mit nur 1650l Puffer für so ein Haus ist natürlich knapp.
Kannst du nicht einfach mal eine grobe Zeichnung von deinen Platzverhältnissen hochladen?
Gruß Manuel
Vielen Dank für deine schnelle Antwort.
Dann werde ich auf jeden Fall den GSE nehmen. Bei der Hydraulik hast du Recht, da ist an der Friwa irgedwie der Mischer an der falschen Stelle. Werde ich gleich umzeichnen. Ich wollte ihn dann eigentlich so setzen wie am Heizkreis, also mit der Pumpe im Rücklauf.
Es wäre schön, wenn mir noch einer sagen könnte ob das geht, oder ob die Pumpe in den Vorlauf muss, also zwischen Mischer und Friwa bzw Heizkreis.
Bei dem Leitungsquerschnitt war ja nur die Frage, ob für die kurzen Leitungen zwischen Kessel und RLA das 28er Rohr reicht. Die Leitungslänge ist also sehr gering.
Zur RLA:
Eigentlich wollte ich gerne die Vorlauftemperatur regeln, um eine konstante Puffertemperatur zu haben. Meinst du, es ist dann wirklich notwendig die 65 Grad Rücklauf noch mit zu betrachten? Wenn ich den Vorlauf auf z.B. 85 regel, kann der Rücklauf doch gar nicht zu kalt werden, oder sehe ich das falsch?
Zum Platz:
Da unser Architekt leider die Zeichnungen des Kellers beim Umbau verloren hat, muss ich erstmal alles messen, bevor ich eine Skizze machen kann. Werde versuchen das im Laufe der Woche hinzukriegen. Ich habe heute mal etwas gerechnet und du hast schon recht, dass die 1650 ziemlich knapp sind. Mir fällt aber nicht viel ein wo ich noch den Puffer hinstellen könnte, denn die Ölheizung ist ja auch noch da, etwas Holz sollte schon im Keller liegen und das Fenster brauche ich dazu um das Holz in den Keller zu bekommen. Ich hatte heute morgen schon überlegt, statt der Friwa einen Speicher einzusetzen, aber meinen 500er finde ich zu groß und den alten 160 Horicell den ich noch habe, der steht seit über 10 Jahren trocken rum
Hallo Christian1621,
Ich bin kein ALTER HASE wie manch andere im Forum, aber trotzdem sage ich:
Herzlich Willkommen bei unserer Streitbaren Truppe.
Desweiteren ein Lob von mir, Du hast vorbildlich Deine Anlage vorgestellt und gezielt Fragen gestellt.
Da können sich viele Neue ein Beispiel nehmen.
Und wenn Du schaust wann Du eine Antwort bekommen hast, die übrigens alles aussagt, ist das Forum doch ganz schön schnell.
Hallo Christian,
wir haben 2x 1000 L im Iso-Floc gefüllten „Wandschrank“ im Stockwerk über dem Heizungsraum stehen.
Die beiden sind mit den drei „alten“ 700ern in Reihe verbunden.
In den 90ern hatten wir bei 250m2 WF mit 5Pers. (ein „holzloser“ Winter)einen Jahresverbrauch von ca 3900 l Öl.
Falls du mehr Puffer unterbringen kannst, mach es.
2009 gab es den GSX 50 noch nicht, der wäre heute meine Wahl- die WT-Fläche wie beim 40er,aber der Füllraum größer,
die sekLuft getrennt wie beim 50gse.
Gruß Heinrich
Kessel 2: (1987.öl) > thermia soleWP 2023
Regelung: (2009< LambdaCheck--BRT > Lüfterdimmer) >ist gut + brauchbar<
Puffervolumen: 3100 L
@christian:
Du hast Recht, in der Regel sollte der Rücklauf dann nicht unter mehr unter 78 – 80 Grad fallen. Du bist ja mit deiner Regelung flexibel, also einfach ausprobieren. Und bitte eine Rückmeldung geben, wenn es funktioniert hat. Auch wenn es etwas dauert.
Gruß Manuel
Vielen Dank für die vielen Antworten und das herzliche Willkommen 🙂
@manter: Ich werde es dir sagen, wenn es soweit ist, dass ich es ausprobieren kann wie die Regelung funktioniert. Aber das dauert noch mindestens bis zum Winter. Muss ja erstmal alles kaufen und aufbauen. Ich hoffe, das schaffe ich diesen Sommer.
Die Änderungen am Hydraulikplan habe ich auch soweit drin. Bitte die Ein- und Ausgänge ignorieren, die sind noch nicht benannt.
@Hkruse:
Die Idee mit dem Wandschrank ist echt gut. Aber das geht bei mir natürlich auch nicht, da die Wohnung darüber die von meinem Schwiegervater ist und der möchte keine Pufferspeicher im Flur oder Badezimmer haben 😉
Ich habe auch schon überlegt, ob noch etwas möglich ist, aber der Heizraum gibt nicht mehr Platz her und daneben sind auch nur Flur (zu klein) und Garage (kein Platz). Ich werde aber wohl 1700 nehmen (zwei 850er), das ist das absolute maximum was ich durch die Tür bekomme.
Hallo Christian,
dein Vorhaben, die Kesselvorlauftemperatur mittels Mischer an der Rücklaufanhebung zu regeln ist in der Praxis zwar möglich, aber nicht zufriedenstellend. Die Totzeit dieser Regelstrecke ist sehr lang. Eine Änderung der Rücklauftemperatur macht sich aufgrund des hohen Wasservolumens und somit der langen Dauer, die das Wasser durch den Kessel benötigt, erst mit großer Verzögerung an der Vorlauftemperatur bemerkbar. Meine ersten Versuche habe ich übrigens genau so gemacht 🙂
Deshalb empfehle ich, die Rücklauftemperatur auf einen definierten Wert mit dem Mischer zu regeln. Diese Regelstrecke ist aufgrund der geringen Totzeit (kurze Strecke zwischen Mischer und Fühler) völlig problemlos. Die Vorlauftemperatur würde ich über eine Drehzahlverstellung (Phasenanschnitt) der Pumpe regeln. Steigt die Kesseltemperatur über den Sollwert, wird die Pumpendrehzahl erhöht. Fällt sie unter den Sollwert, wird die Pumpendrehzahl reduziert. Dazu reicht ein einfacher PI-Regler. Bei Conrad gibt es einen Bausatz, der aus einem 0-10V Signal eine Phasenanschnittsteuerung macht. Die TA-Regelung hat diese Funktion aber wohl schon drin.
Grüße
Olaf
@olaf62:
Danke für den Tipp. Ich habe auch schon überlegt, welche Regelstrategie ich nehmen soll. Wollte eigentlich die Pumpe mit fester Drehzahl betreiben und nur den Mischer regeln. Aber beides zu regeln klingt gut. Läßt sich mit der UVR auf jeden Fall machen. Ich habe schon mal angefangen zu programmieren, aber da ich bisher die UVR nur auf dem Sofa liegen habe, kann ich noch wenig probieren. Sorry, dass ich erst jetzt schreibe, aber deine Antwort habe ich in den Benachrichtigungen übersehen 🙁
Nach guten 3 Monaten gibt es schon ein wenig neues. Ich habe mittlerweile meine Pufferspeicher, Regelung, Friwa, Pumpengruppe und jede Mange Installationsmaterial. Bin im Moment gerade dabei alle Rohre zu löten und an die Wand zu bringen.
Beim Anschließen der Puffer ist noch eine Frage aufgetaucht. Muss oder sollte man die Speicher eigentlich am Boden festschrauben oder ist das gar nicht gut wegen Materialausdehnung? Jeder Speicher hat ja unten 3 Laschen mit Löchern drin mit denen er auf der Palette fest war.
Hallo Christian,
auf meiner Internetseite (links auf das Haus klicken) habe ich einiges zum Thema Regelung von Holzvergaserkesseln geschrieben. Die Bedienungsanleitung für die selbstentwickelten Module zur Regelung eines Holzvergaserkessels ist fast fertig und enthält eigentlich schon alles wesentliche zur Regelstrategie. Auf Wunsch kann ich sie per Mail zuschicken. Einfach eine Nachricht schreiben. Allerdings ist die UVR wohl nicht wirklich frei programmierbar. Kenne sie nicht so genau. Man kombiniert wohl fertige Funktionsblöcke. Wie man das im einzelnen hinbekommt, kann ich nicht sagen.
Ein Hinweis zu den Pufferspeichern:
Letzte Woche habe ich eine erste komplette Anlage installiert (mit Heizungsbauer). Dabei habe ich festgestellt, dass die seitlichen Anschlüsse ganz oben und ganz unten am Pufferspeicher keine interne Rohrführung bis ganz oben und ganz unten haben. Die Folge ist, dass der Bereich über dem obersten Anschluss nicht entladen werden kann. Außerdem kann der Bereich unter dem untersten Anschluss nicht geladen werden 🙁
Etwas verbessern kann man die Situation, indem man den Puffer über den Entlüftungsanschluss, der ja oben auf dem Puffer ist, lädt. Dann bleibt nur der unterste Bereich ungenutzt. Alternativ könnte man die Friwa ganz oben anschließen. Dann hätte man immer etwas Reserve, die nicht von der Heizung genutzt werden.
Grüße
Olaf
Deine Seite werde ich mir die Tage auf jeden Fall mal anschauen.
Bei der UVR hast du natürlich Recht. Sie hat vorgefertigte Module die man kombiniert. Aber darin sehe ich keine Einschränkung, da es auch freie Module wie PID-Regler gibt, so dann man eigentlich alles machen kann. Ich finde die fertige Module ganz praktisch, denn so muss man das Rad nicht neu erfinden und hat z.B. einen außentemperatur Geführten Vorlaufregler mit fertigen Heizkurven, Timer und allem was man so braucht.
Das Problem mit den Puffern ist mir bei der Auswahl auch aufgefallen. Einige Puffer haben entweder keine interne Rohrführung oder nur einen Anschluß im oberen Bereich mit Rohrführung, so dann man den Heizkreis nicht anschließen kann ohne den viertel Speicher als Reserve zu haben.
Mein Puffer hat jetzt im oberen Breich zwei Anschlüsse in recht geringem Abstand. Einen mit Rohrführung zum Beladen und einen ohne für meinen Heizkreis. Die Friwa schließe ich ganz oben an der Spitze zusammen mit der Entlüftung und dem Sicherheitsventil an.
P.S.:
Weißt du vielleicht noch eine Antwort auf meine Frage bezüglich Festschrauben der Puffer am Boden?
Hallo Christian,
Puffer mit Laschen zur Befestigung habe ich noch nie gesehen. Einfach hinstellen reicht. Allerdings würde ich ihn bei Bedarf mit geeignetem Material unterlegen, damit er senkrecht (oder im Wasser, wie man im Ländle sagt) steht.
Grüße
Olaf
Hallo Christian1621
Bei 260 qm,im Mittel mit 80W/qm angesetzt bist du bei knapp 21 kw.
Der 30er GSE liefert durchschnittlich 17kw je Stunde Abbrand.
In der Übergangszeit sollte dies kein Problem darstellen.
Wird es kälter,kann es passieren das du Sklave deiner Heizung wirst.
Bei 260 qm,im Mittel mit 80W/qm angesetzt bist du bei knapp 21 kw.
Der 30er GSE liefert durchschnittlich 17kw je Stunde Abbrand.
In der Übergangszeit sollte dies kein Problem darstellen.
Wird es kälter,kann es passieren das du Sklave deiner Heizung wirst.
Sehe ich auch so
vor allem die 2x850Liter sind sehr sehr knapp dimensioniert
da muss man um 3000Liter Öl pro Jahr zu ersetzen im Winter mindestens zwei mal pro Tag anheizen
um die Anlage komfortabel auszulegen würd ich auf 4000Liter Puffer und einen GSX50 gehen.
Christian – schau Dir bitte das Haus noch mal gaaaanz genau an ob Du irgendwo zusätzliche Puffer plazieren kannst. bei 2×850 gehe ich davon aus dass aus reiner Bequemlichkeit heraus im Winter am Ende dann doch wieder der Ölbrenner läuft und nur die hälfte der Energie durch den Holzkessel bereitgestellt wird.
Einzige halbwegs bequeme Alternative zu größeren Puffern die ich sehe ist einen Kessel mit großem Füllraum und Holzbriketts zu nehmen (z.B. GSE50) und diesen z.B. mittels Flammtronik geregelt mit relativ niedriger Abgastemperatur zu fahren. Damit kommt man auch mit dem 50kW Kessel unter 20kW Leistung und hat durch den großen Füllraum eine hohe Abbrandzeit. Im Winter wird der KEssel seine Leistung durch den Grundumsatz des Hauses auch mit den kleinen Puffern dann leicht los. Doch in der Übergangszeit muss man aufpassen dass man die Puffer nicht überheizt – sprich den KEssel nur halb voll legen oder nur Fichtenholz verfeuern
Bernhard
@olaf62:
Bei mir haben beide Puffer solche Laschen. Der eine drei, der andere 4. Ich denke auch, dass stellen reicht wenn sie voll sind. Habe aber letztes WE mal den ersten Puffer ausgerichtet und beim anschrauben der Rohre verschiebt er sich gerne. Daher werde ich ihn wohl doch mit 2 kleinen Schrauben fixieren.
@Rohrverbieger+HartlBe:
Ihr habt schon Recht, dass die Leistung bzw. die Puffer etwas knappt sind. Aber mehr geht leider echt nicht 🙁 Ich muss ja auch noch das MAG stellen. Wird es noch enger, kann man den HV nicht mehr ordentlich beladen und reinigen und kann gar kein Holz mehr lagern. Die Nebenräume fallen auch aus. Der eine ist Flur, der andere Garage. Es ist alles etwas knapp für noch mehr Puffer.
Ich rechne schon damit, dass ich im Winter zweimal am Tag anheizen muss. Aber zum Glück haben wir hier keine so kalten Winter, dass es extrem viele Tage am Limit gibt.
An kalten Wintertagen brauch ich ca. 15 Liter Öl, wenn es extrem ist, etwas über 20. Die 150kWh müßten man doch mit 2 Füllungen locker bekommen können….
Das Problem mit den Puffern sorgt ja auch dafür, dass ich keinen größeren HV nehmen kann, da man ja 55 Liter/kW gem. Bimsch haben muss.
Einzige Alternative wäre sonst ganz beim Öl zu bleiben und das will ich auch nicht.
Aber ich rechne schon damit, dass es Tage gibt an denen die Ölheizung weiterhin voll arbeitet. Aber selbst wenn ich nur 1500 Liter Öl einspare habe ich die Investition ja in ein paar Jahren wieder raus.
Ihr habt schon Recht, dass die Leistung bzw. die Puffer etwas knappt sind…
Die Nebenräume fallen auch aus. Der eine ist Flur, der andere Garage.
Wenn ein Nebenraum die Garage ist dann würd ich mir an Deiner Stelle überlegen ob ich EINEN großen Puffer einbauen anstatt der beiden kleinen und diesen durch die Wand in den Heizraum bringe. Das Loch in der Wand ist schnell wieder zugemauert
Denke dass dann sicherlich 2000…2500Liter Platz haben
Ein Puffer ist auch vom Wärmeverlust her weit besser als zwei kleine Puffer (Oberfläche kleiner bei gleichem Inhalt)
Bei STG bekommst Du auch Puffer mit der Höhe nach Maß zu guten Konditionen …KLICK… denn die bauen die Puffer selbst und verramschen nicht nur…
Bernhard
Das wäre gegangen mit dem großen Puffer. Aber der Aufwand wäre gewaltig gewesen. Zum einen ist die Wand mit Sicherheit tragend, man hätte also abstützen müssen.
Dann ist die Wand zur Garage die falsche Seite, so dass erst die gesamte Ölheizung mit allen Leitungen und ein großer Teil der WW-Installation hätten raus müssen, da das alles auf der Seite des Heizungskellers steht und der Puffer auf die andere Seite musste. Außerdem habe ich meine Puffer ja schon im Frühjahr gekauft.
Bitte melden Sie sich an oder erstellen Sie ein Konto um Antworten schreiben zu können

